Die Audi A6 Baureihe C6 etablierte sich ab 2004 als technologisch führendes Fahrzeug in der oberen Mittelklasse und prägt durch ihre Langstreckentauglichkeit bis heute das Bild auf den hiesigen Schnellstraßen. In diesem Artikel werden wir einen detaillierten Blick auf die Belegung der Sicherungen und Relais im Audi A6 / S6 (dritte Generation; Plattform C6; interne Bezeichnung Typ 4F). Baujahre: 2004, 2005, 2006, 2007, 2008, 2009, 2010, 2011.

Hier finden Sie die Positionen, Beschreibungen und Fotos der Sicherungskästen. „Zigarettenanzünder“ und „Kraftstoffpumpe“ sind fett hervorgehoben.
Im Kofferraum

Der Sicherungskasten befindet sich auf der rechten Seite hinter der Kunststoffabdeckung.

Das Foto ist ein Beispiel.
Belegungsplan

Nr. | Beschreibung | Ampere
Schwarzes Paneel
1. | Digital/Signalverarbeitung (DSP)/ BOSE-Verstärker | 30A
2. | MMI, Antennenverstärker | 5A
3. | Elektromechanische Feststellbremse, linker Motor | 30A
4. | Elektromechanische Feststellbremse, rechter Motor | 30A
5. | Steckdose im Kofferraum | 20A
6. | Batterie - Stromverteilungssystem | 5A
7. | Intelligenter Stromverteiler (Leuchte rechts) | 20A
8. | Intelligente Stromverteilungseinheit hinten | 5A
9. | Intelligente Stromverteilereinheit hinten (Leuchte links) | 30A
10. | Elektrische Fensterheber (rechte Seite des Fahrzeugs) | 35A
11. | Modelle mit Linkslenkung: Einparkhilfe | 20A / Rechtslenker-Modelle: Zigarettenanzünder vorne | 5A
12. | Zigarettenanzünder hinten | 20A
Braunes Bedienfeld
1. | Rückfahr-Parkkamera | 5A
2. | Elektrische Heckklappe | 30A
3. | Elektrische Heckklappe | 30A
4. | Elektrische Heckklappe | 20A
5. | Antennenverstärker | 5A
6. | TV-Tuner | 5A
7. | Intelligente Stromverteilungseinheit (Komfort) | 5A
8. | Heizgerät | 20A
9. | Digitaler Tuner | 5A
10. | Deichselsteuergerät | 15A
11. | Zugkraft - Kupplungseinrichtung (linke Leuchte) | 15A
12. | Zugkraft - Anhängevorrichtung (rechte Leuchte) | 15A
Relais
8. | Heckscheibenentfrosterrelais,
9. | seit 2006: Relais der Kraftstoffpumpe der Zusatzheizung,
10. | Relais der Kraftstoffpumpe.
Les infiltratioIm Winter führt Korrosion an den Leitungen der elektromechanischen Parkbremse häufig zu einer Überlastung der Sicherungen 3 oder 4. Auch das Relais 10 sollte bei Startproblemen geprüft werden, da Kontaktprobleme durch Feuchtigkeit die Kraftstoffversorgung unterbrechen können. Eine verringerte Leitfähigkeit an diesen Stellen führt oft zu Spannungsabfällen, die fälschlicherweise als mechanische Defekte interpretiert werden.
Im Innenraum
Es gibt drei Blöcke.
Sicherungskasten #1

Befindet sich am Ende des Armaturenbretts auf der Fahrerseite.

Beispiel für den Zugang.
Die Diagnosefähigkeit bei der Hauptuntersuchung (HU) ist zwingend an die Funktion der Sicherung 12 gebunden, da ein Defekt den Zugriff auf das OBD-System blockiert. Zudem führt der Ausfall der Instrumentenanzeige über die Sicherung 15 oft zu einer Verweigerung der TÜV-Plakette. Auch die beheizbaren Waschdüsen, geschützt durch Sicherung 20, neigen im Winter zu Kurzschlüssen durch Streusalzeinwirkung, was zu unplausiblen Fehlermeldungen im Bordnetz führt.
Modelljahr 2004 - 2008
Diagramm

Nr. | Beschreibung | Ampere
1. | Reserve
2. | Reserve
3. | Motorsteuerung | 5A
4. | Ölstandssensor | 5A
5. | Klimatisierung | 5A
6. | Elektronisches Stabilitätsprogramm (ESP), Kupplungssensor | 5A
7. | Diagnosestecker | 5A
8. | Homelink-Steuergerät | 5A
9. | automatisch abblendender Innenrückspiegel | 5A
10. | Abstandsregelung (adaptiver Tempomat) | 5A
11. | Heizung | 5A
12. | Diagnosestecker | 10A
13. | Lenksäulenschaltermodul | 10A
14. | Bremslichtschalter | 5A
15. | Kombiinstrument | 10A
16. | Telefon, Telematik, Mobiltelefon | 10A
17. | Elektronisches Stabilitätsprogramm (ESP) | 10A
18. | Scheinwerferelektronik links | 5A
19. | Regensensor | 5A
20. | Beheizte Scheibenwaschdüsen | 5A
21. | Antennenverstärker | 5A
22. | Reserve
23. | elektromechanische Feststellbremse | 5A
24-30. | Leer
31. | Rückfahrlichtschalter, multitronic-Getriebe, Motorbauteil | 15A
32. | Intelligentes Fahrermodul (Fußraumbeleuchtung und Scheinwerfer, Hupe, Scheibenwischer, elektrische Lenksäulenverstellung) | 30A
33. | Intelligentes Fahrermodul (Beleuchtung links) | 25A
34. | Intelligentes Fahrermodul (Beleuchtung rechts) | 25A
35. | Heizung | 20A
36. | Scheinwerferreiniger | 30A
37. | Elektronisches Stabilitätsprogramm (ESP) | 25A
38. | Scheibenwischer | 30A
39. | Türsteuergerät links | 15A
40. | Hupe / MMI-Display | 25A
41. | Heizungsgebläse | 40A
42. | Steuergerät elektronische Zündung/elektrische Lenksäule | 30A
43. | Reserve
44. | advanced key Steuergerät / Airbag | 15A
Modelljahr 2008 - 2011
Belegungsplan

Nr. | Ampere | Beschreibung
1. | Nicht verwendet
2. | Nicht verwendet
3. | 5A | Motormanagement
4. | 5A | Sicherung Ölstandssensor Audi a6
5. | 5A | Klimatisierung, Reifendruckkontrollsystem
6. | 5A | Elektronisches Stabilitätsprogramm (ESP), Kupplungssensor
7. | 5A | Diagnosestecker
8. | 5A | HomeLink-Steuergerät
9. | 5A | Automatische Abblendung des Innenspiegels
10. | 5A | Adaptiver Geschwindigkeitsregler
11. | Nicht verwendet
12. | 10A | Diagnosestecker
13. | 10A | Lenksäulenschaltermodul
14. | 5A | 2008: Bremslichtschalter oder 2009-2011: nicht verwendet
15. | 10A | Kombiinstrument, Gateway-Steuermodul
16. | 10A | Telefon, Mobiltelefon
17. | 10A | Elektronisches Stabilitätsprogramm (ESP)
18. | 5A | Elektronischer Scheinwerfer, links
19. | 5A | Regensensor
20. | 5A | Beheizte Scheibenwaschdüsen
21. | 10A | Sitzverstellung (Fahrer)
22. | 5A | MMI-Anzeige
23. | 5A | Elektromechanische Feststellbremse
24-30. | Reserve
25-30. | Reserve
31. | 15A | Rückfahrlichtschalter, Getriebe, Motorkomponenten
32. | 30A | Intelligentes Fahrermodul (Fußraum- und Frontscheinwerfer, Hupe, Scheibenwischanlage, elektrisch verstellbares Lenkrad)
33. | 25A | Intelligentes Fahrerstrommodul (beleuchtete linke Seite)
34. | 25A | Intelligente Fahrerstromversorgung (rechts beleuchtet)
35. | Nicht verwendet
36. | 30A | Scheinwerferwaschanlage
37. | 25A | Elektronisches Stabilitätsprogramm (ESP)
38. | 30A | Scheibenwischersystem
39. | 15A | Türsteuerungsmodul links
40. | 25A | Akustische Hupe
41. | 40A | Heizungsgebläse
42. | 30A | Elektronisches Zündschlosssteuergerät / elektrisch verstellbares Lenkrad
43. | 15A | Heckscheibenwischer (Avant)
44. | 35A | Elektrischer Scheibenwischer (links)
Sicherungskasten #2

Befindet sich am Ende des Armaturenbretts auf der Beifahrerseite.

Allgemeine Ansicht.
Modelljahr 2004 - 2008
Diagramm

Nr. | Beschreibung | Ampere
1. | Keyless - Fernbedienungssteuerung | 5A/15A
2. | Audi a6 c6 Zigarettenanzünder-Sicherung | 20A
3. | Steuergerät Reifendruckkontrollsystem | 5A
4. | (Sonderausstattung Stromanschluss | 20A
5. | Stromversorgungssystem | 15A
6. | Steuergeräte für Türfunktionen | 15A
7. | Steuergerät für das elektrische Schiebedach | 20A
8. | Elektronisches Steuergerät für die Klimaanlage | 10A
9. | Elektronisches Steuergerät für die Klimaanlage, Vordersitzheizung | 30A
10. | ^2008: Steuergerät Multifunktionsanzeige | 5A/10A
11. | ^2006: Steuergerät für die Federung | 15A
12. | Audioanlage | 5A
13. | Kraftstoffmodul (Benzinpumpen-Sicherung) | 20A/30A
14. | ^2006: Elektrischer Anschluss für Anhänger | 10A
15. | ^2006: Nicht verwendet
16. | ^2008: Nicht verwendet
17. | Fahrwerkssteuergerät | 5A
18. | Steuergerät für die Schaltung | 5A
19. | Steuergerät für Parksystem | 5A
20. | CAN-Datenbus, Gateway-Steuergerät | 5A
21. | Steuergerät für Scheinwerferkorrektor | 5A
22. | Steuergerät für SRS-Elektronik | 5A
23. | Sitzheizung | 5A
24. | ^2006: Nicht verwendet
25. | Fahrzeug-Sonderausstattung | 25A
26. | Fahrzeug-Sonderausstattung | 15A
27. | Fahrzeug-Sonderausstattung | 15A
28. | Fahrzeugsonderausstattung, Fahrtenschreiber | 5A/10A
29. | Spezielle Fahrzeugausrüstung | 10A/15A
30. | Spezielle Fahrzeugausrüstung | 5A/15A/10A
31. | Fahrzeugsonderausstattung, Fahrtenschreiber, Signalisierung | 5A/25A/10A
32. | Stromanschluss für Zusatzausrüstung | 15A/25A/10A
33. | Fahrzeugsonderausstattung | 15A
34. | Leer
35. | Leer
36. | Leer
Modelljahr 2008 - 2011
Belegungsplan

Nr. | Ampere | Beschreibung
Panel A (schwarz)
A1. | 15A | Advanced Key Steuermodul
A2. | 20A | Sicherung für Zigarettenanzünder vorne
A3. | 5A | Reifendruckkontrollsystem
A4. | 20A | Steckdose vorne (Mittelkonsole)
A5. | 15A | Intelligentes Stromversorgungsmodul für den Beifahrer (Handschuhfachschloss)
A6. | 15A | Steuermodul rechte Tür
A7. | 20A | Schiebedach
A8. | 10A | Klimaanlagensteuerung
A9. | 30A | Beheizte Vordersitze
A10. | 10A / 7.5A | 2008: MMI, Antennenverstärker (10A) oder 2009-2011: MMI (7.5A)
A11. | 10A | Sitzverstellung (Beifahrer)
A12. | 5A| Kommunikation
Schalttafel B (braun)
B1. | 20A/30A | Elektrische Kraftstoffpumpe
B2. | 15A | Adaptive Luftfederung
B3. | 10A | Fahrspurassistent
B4. | 5A | 2008: nicht verwendet oder 2009-2011: Audi Seitenassistent
B5. | 5A | Adaptive Luftfederung
B6. | 5A | Automatikgetriebe Schalt-/Kupplungsschalter
B7. | 5A | Akustische Einparkhilfe
B8. | 5A | Gateway-Steuermodul
B9. | 5A | Automatische Leuchtweitenregulierung (zusätzliches Fernlicht), elektronischer Scheinwerfer, rechte Seite
B10. | 5A | Airbag
B11. | 5A | Sitzheizung hinten
B12. | 5A | Telefon
Relaiskasten

Befindet sich unter dem Armaturenbrett auf der Fahrerseite.

Gesamtansicht.
Belegungsplan

Nr. | Beschreibung
1. | Leistungsrelais (Klemme 15) -J329-
2. | Relais für Scheinwerferwaschanlage -J39-
3. | Reserve
4. | Anlasserrelais -J53-
5. | Leistungsrelais (Klemme 75x) -J694- (vor 04.2005)
6. | Anlasserrelais 2 -J695-
7. | Melderelais -J4-
7. | Leistungsrelais (Klemme 75x) -J694- (ab 05.2005)
8. | Reserve
9. | Reserve
A. | ABS-Steuergerät-Sicherung 1 -S123- (40A)
B. | Reserve
C. | Reserve
D. | Reserve
Im Motorraum
Sicherungskasten Nr. 1

Die Haupteinheit befindet sich in der Nähe der Batterie.

Nr. | Beschreibung | Ampere
1. | Unterdruckpumpe für Bremskraftverstärker | 15A
2. | Motormanagementsystem | 15A/20A/30A
3. | Kühlmittelumlauf, Zusätzliche Kühlmittelpumpe, Auspuff-Nockenwellenventil, Elektrohydraulische Motoraufhängung links, Ladeluftkühler-Kühlmittelpumpe, MAP-gesteuerter Motorkühlthermostat, Elektrohydraulische Motoraufhängung rechts (Magnetventil), Nockenwellenverstellung, Drall-Magnetventil, Einlassnockenwellenventil | 10A/15A
4. | Elektronisches Motorsteuergerät | 15A
5. | Motormanagement-System | 10A/15A
6. | Motorsteuergerät | 15A
7. | Motorsteuergerät | 15A
8. | ^2008: Elektronisches Motorsteuergerät | 5A
9. | Kühlerlüftermotor | 5A
10. | Elektronisches Getriebesteuergerät | 10A
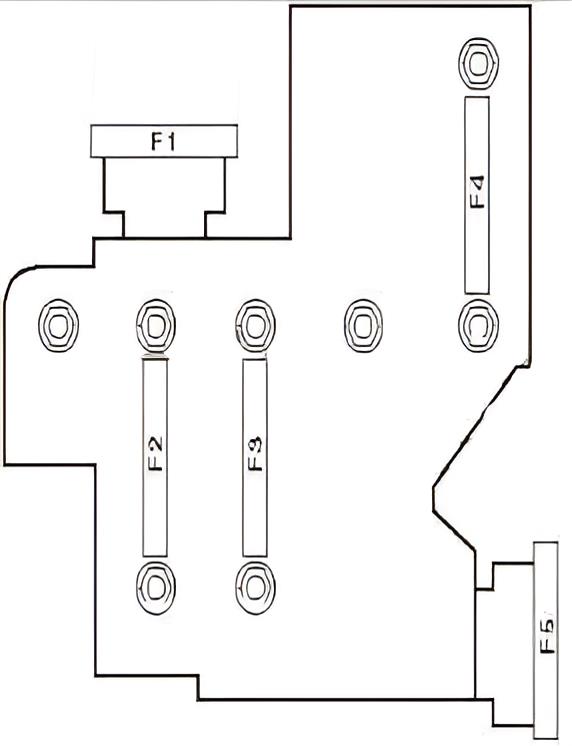
Zusätzlicher Sicherungskasten

Zusätzlicher Block auf der linken Seite.

Nr. | Beschreibung
F1. | Leer
F2. | (50A) Benzin: Abluftsystem
F3. | (40A) Aktives Federungssystem
F4. | (15A) Benzin: Kühlerlüftermotor
F5. | Leer
F6. | Leer
F7. | Leer
1. | Leer
2. | Aktive Federung: Kompressorrelais
3. | Diesel: Glühkerzenrelais
4. | Leer
Hochstromsicherungen
Befindet sich auf dem Akkupack.

Nr. | Dekodierung
F1. | Leer
F2-F3. | Lüftermotor (40A/60A)
F4. | Leer
F5. | Leer
Videoanleitung für den Zugang zu Verteilerkästen.